Tugas 10. Rangkaian Counter

 

Rangkaian Counter

Counter  ( rangkaian logika sekuensial yang di bentuk dari flip-flop )

Mencacah   dapat   diartikan   menghitung,   hampir   semua   sistem   logika   menerapkan pencacah.   Komputer digit menerapkan   pencacah   guna   mengemudikan   urutan   dan pelaksanaan   langkah –  langkah  dalam program.  Fungsi  dasar  pencacah  adalah  untuk “mengingat”   berapa   banyak   pulsa   detak   yang   telah   dimasukkan   kepada  masukkan; sehingga pengertian paling dasar pencacah adalah sistem memori.



Karakteristik Penting Counter/Pencacah

  1. Sampai berapa banyak ia dapat mencacah (modulo pencacah);
  2. Mencacah maju, ataukah mencacah mundur;
  3. Kerjanya sinkron atau tak sinkron;
Kegunaan Counter/Pencacah 

  1. Menghitung banyaknya detak pulsa dalam satu periode waktu
  2. Membagi frekuensi
  3. Pengurutan alamat
  4.  Beberapa rangkaian aritmatika.
        Jenis Counter/Pencacah

ASYNCHRONOUS



SYNCHRONOUS


        Pencacah Asinkron

                 Seringkali disebut ripple counter.

                 Istilah asinkron merujuk pada kejadian-kejadian yang tidak mempunyai hubungan waktu yang tetap antara FF satu dengan FF lainnya.

                Flip-flop tidak mendapatkan pulsa clock dari satu sumber yang sama.

                Flip-flop pertama (LSB) mendapatkan pulsa clock dari sumber clock eksternal, sedangkan flip-flop berikutnya mendapatkan pulsa clock dari output flip-flop sebelumnya.


        Pencacah Asinkron Biner 2-bit 

                 Dibangun dari dua buah flip-flop JK.

                 Flip-flop pertama mendapatkan pulsa clock dari sumber clock, sedangkan flip-flop kedua mendapatkan pulsa clock dari output FF pertama. fQ0=fCLK/2; fQ1=fQ0/2.



        Diagram pewaktuan counter asinkron biner 2-bit



        Tabel urutan keadaan pencacah


        Pencacah asinkron biner 3-bit 

        1.   Dibangun dari 3 buah flip-flop JK.

        2.      Flip-flop pertama mendapatkan pulsa clock dari sumber clock, FF kedua mendapatkan pulsa clock dari output FF pertama dan FF ketiga mendapatkan pulsa clock dari output FF kedua.

        3. fQ0=fCLK/2; fQ1=fQ0/2; fQ2=fQ1/2


        Diagram logika dan diagram pewaktuan pencacah asinkron biner 3-bit.




        Tabel urutan biner dari pencacah



        Pencacah Sinkron 

        Istilah sinkron merujuk pada kejadian yang mempunyai hubungan waktu pasti antar flip-flop yang dengan lainnya. 

       Dalam pencacah, istilah sinkron berarti bahwa setiap FF mendapatkan pulsa clock dari satu sumber clock yang sama. 

 

        Pencacah sinkron biner 2-bit


         Pencacah sinkron biner 3-bit


       Tabel kondisi output pencacah


        Struktur Internal IC 7493


        Up/Down Counter



        Up Counter




        Down Counter


U    


  Up/Down Counter


        PRESETTABLE COUNTERS


        BCD COUNTER

                 Binary counter that counts from 0000 to 1001 before it recycles (MOD-10).


        Johnson Counter

        Shift register in which the inverted output of the last FF is fed back to the input of the first FF.



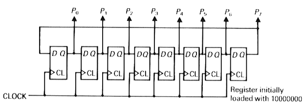
        Ring Counter

        Shift register counter with feedback from Q of last FF back to first FF input 








        Nama   : Wiar Winengsih
        NIM    : 1803015160
        Kelas   : 2F
        Matakuliah      : Sistem Digital dan Gelombang
        Sumber            : https://onlinelearning.uhamka.ac.id/

    






















Komentar

Postingan populer dari blog ini

Wiar _IT SOLUTION FORUM 1

Aplikasi OLU Membuat Kuliah Online Menjadi Efektif dan Efisien

Rangkaian Register (Digital System)